全国咨询热线(微信同号)15968054990
| 产品型号 | 产品图 | 产品参数 | 产品特性 | 安装孔位图 |
|---|---|---|---|---|
OTX4101继电···
PDF规格书下载 |
![]() |
触点负载:3A,5A 触点形式:1C 线圈功耗:0.2W,0.36W 引脚数量:5Pin 线圈电压:5V,12V,24V | ① 5A触点切换能力 ② 具有一组转换触点形式 ③ 印制板式引出端 ④ 塑封型与防焊剂型两种封装 ⑤ 尺寸15.5×10.51×11.8mm |
![]() |
OTX4100继电···
PDF规格书下载 |
![]() |
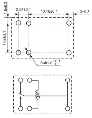
触点负载:3A,5A 触点形式:1C 线圈功耗:0.2W,0.36W 引脚数量:6Pin 线圈电压:5V,12V,24V | ① 5A触点切换能力 ② 具有一组转换触点形式 ③ 印制板式引出端 ④ 防尘与助焊剂型两种封装形式 ⑤ 尺寸(15.7×11×12)mm |
![]() |
OTX4078继电···
PDF规格书下载 |
![]() |
触点负载:1A,2A 触点形式:2C 线圈功耗:0.2W,0.36W 引脚数量:8Pin 线圈电压:5V,12V,24V | ① 两组双开双闭触点形式 ② 高切换容量 60W125V ③ DIP结构标准16脚IC插座匹配 ④ 双刀同步高灵敏样式 ⑤ 尺寸20.5×10×11.8mm |
![]() |
OTX5FF继电···
PDF规格书下载 |
![]() |
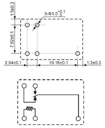
触点负载:1A,2A 触点形式:1C 线圈功耗:0.15W 引脚数量:6Pin 线圈电压:5V,12V,24V | ① 2A触点切换能力 ② 高灵敏度、镀金触点 ③ 超小型、标准双列直插引出脚 ④ 防尘型封装形式 ⑤ 尺寸(12.4 x 7.4 x 10) mm |
![]() |